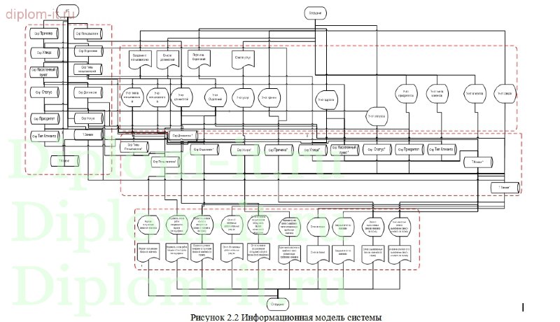
Автоматизация регистрации мониторинга заявок отдела тех. поддержки банка



Получите бесплатно демо-версию Демо-версия - дипломная работа, в котрой удалена часть текста, рисунков, таблиц.Посмотреть все услуги дипломной работы на электронную почту.
Введите адрес электронной почты и нажмите "Отправить"
Разработка автоматизированной системы учета товаров малого предприятия8 748 ₽
Проектирование и разработка АРМ менеджера по закупкам7 776 ₽
Информационная система обслуживания заявок сотрудников строительной компании, диплом по информатике в экономике8 900 ₽
Разработка информационной системы учета кредитования физических лиц8 208 ₽Описание
Работа подготовлена и защищена в 2014 году в Московском Финансово-промышленном университете Синергия, Факультет Информационных систем и технологий, для специальности «Информационные системы и технологии», для направления «Информационные системы», для специальности «Прикладная информатика (в экономике)».
Характеристики
Файлы схем | да |
Год | 2014 |
Программа с исходниками | Да, Delphi |

Огромное спасибо команде за спасение! Честно говоря, у меня уже опускались руки: тема была очень сложной, и я просто не справлялась сама. Веб-дизайн, нейросети. Ребята взялись за работу и сделали всё в супер-сжатые сроки — чуть больше недели! Правки вносили моментально, всё подготовили в лучшем виде. Итог — защита на "отлично"! Безумно благодарна за помощь, вы лучшие!

Хочу выразить огромную благодарность команде diplom-it.ru! Заказывал диплом по направлению «Цифровая экономика» в Университете Синергия. Тема была жутко сложная, связанная с Big Data и прогнозированием, сам бы я точно не справился. Ребята не просто скинули «сырой» текст, а сделали полноценное исследование с актуальными расчетами. Антиплагиат прошел на ура (82% по версии вуза), уникальность текста отличная. Менеджеры на связи 24/7, отвечали даже на глупые вопросы ночью. Защитился на пятерку, комиссия похвалила за практическую часть. Рекомендую! ВУЗ: Синергия, специальность: Цифровая экономика.

Огромный респект команде diplom-it.ru! Ситуация была критическая: до сдачи диплома в МТИ (специальность «Менеджмент в игровой индустрии») оставалось 2 недели, а у меня была только введению и половина первой главы. Думал, все, вылетаю. Ребята взялись за работу моментально. Написали не просто текст, а крутой проект с анализом рынка и финансовой моделью. На защите препод даже удивился, откуда у меня такие свежие данные. Защитился на 5! Очень выручили.

Обращался на diplom-it.ru за помощью с дипломом в МТИ (специальность — прикладная информатика, если это важно). Остался доволен сервисом. Работа была готова раньше срока, что дало время спокойно подготовить речь и раздаточный материал. Оформление полностью по ГОСТу, список литературы свежий. Цена, кстати, оказалась чуть ниже, чем в среднем по рынку, хотя я переживал, что низкая цена = плохое качество. Но нет, тут соотношение цены и качества хорошее. Советую.

Хочу поделиться своей историей успеха с сайтом diplom-it.ru. Учусь в Синергии на факультете психологии. Тема диплома: «Влияние эмоционального интеллекта на успешность в карьере у студентов выпускных курсов». Тема модная, но сырая, литературы много, но нужно было грамотно провести исследование. Я переживала, что автор не сможет правильно составить опросники и обработать данные в SPSS. Каково же было мое удивление, когда в готовой работе я увидела не только качественную теорию, но и шикарную практическую часть с таблицами, корреляционным анализом и понятными выводами! Научный руководитель (довольно строгая женщина) сказала, что это одна из лучших работ за последние годы. Защита на отлично. Спасибо большое автору и персональному менеджеру за поддержку!






































