Работаем без выходных. Пишите в ТГ @Diplomit или MAX +79879159932
Корзина (0)---------

Корзина

Ваша корзина пуста

Корзина (0)---------

Корзина

Ваша корзина пуста

Разработка комплексной системы безопасности в торговой компании

-55%

Получите бесплатно демо-версию
Демо-версия - дипломная работа, в котрой удалена часть текста, рисунков, таблиц.Посмотреть все услуги
дипломной работы на электронную почту.
Введите адрес электронной почты и нажмите "Отправить"

Заказать демо-версию:
Email
Отправляя эту форму, я принимаюусловия конфиденциальности.
Скачать план работы в формате PDF
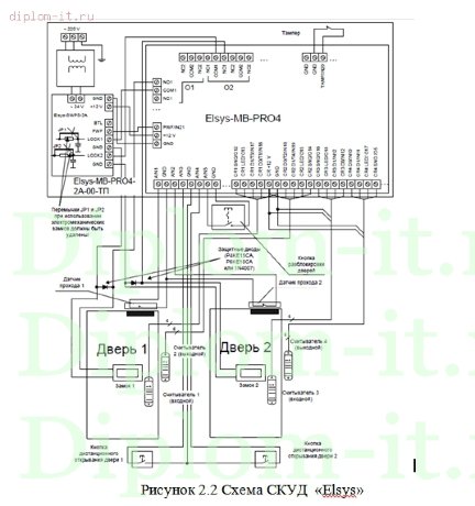
Работа подготовлена и защищена в 2014 году в Московском Финансово-промышленном университете Синергия, Факультет Информационных систем и технологий, для специальности «Информационные системы и технологии», специализация «Безопасность информационных систем». Целью настоящей работы является разработка комплексной системы безопасности для ООО «Сиском», объектом исследования – информационные ресурсы и информационная система данного предприятия. Исходя из цели дипломной работы определены следующие задачи: • исследование текущего состояния информационной безопасности предприятия, том числе программных, аппаратных и технических способов и средств; • определение необходимости разработки комплексной системы информационной безопасности; • определение структуры такого комплекса; • анализ и выбор технологий для разработки комплексной системы информационной безопасности; • разработка элементов политики безопасности как организационной составляющей комплекса защиты информации; • определение конкретных административно-организационных , программных и инженерно-технических средств по обеспечению информационной безопасности; • определение методики для расчета возможной экономической эффективности разработанного комплекса и расчет показателей.
Cкидка 55% на все работы
До конца акции осталось:
Файлы схем:
да
Год:
2014
Область:
КСЗИ
Наши гарантии
Покупается впервые!
Все непокупавшиеся работы
Дополнительные услуги:
Готова к отправке
Артикул: 10990
5 754,43
2 589,49
Экономия - 3 164,94
Нужна уникальная работа с гарантией? напишите нам!
В избранное К сравнению
Описание
Характеристики
Отзывы (849)

Описание

Не нашли подходящую работу?Оцените стоимость ее написания!

Работа подготовлена и защищена в 2014 году в Московском Финансово-промышленном университете Синергия, Факультет Информационных систем и технологий, для специальности «Информационные системы и технологии», специализация «Безопасность информационных систем».

Целью настоящей работы является разработка комплексной системы безопасности для ООО «Сиском», объектом исследования – информационные ресурсы и информационная система данного предприятия. Исходя из цели дипломной работы определены следующие задачи:
•исследование текущего состояния информационной безопасности предприятия, том числе программных, аппаратных и технических способов и средств;
•определение необходимости разработки комплексной системы информационной безопасности;
•определение структуры такого комплекса;
•анализ и выбор технологий для разработки комплексной системы информационной безопасности;
•разработка элементов политики безопасности как организационной составляющей комплекса защиты информации;
•определение конкретных административно-организационных , программных и инженерно-технических средств по обеспечению информационной безопасности;
•определение методики для расчета возможной экономической эффективности разработанного комплекса и расчет показателей.
В дипломной работе были рассмотрены вопросы, касающиеся различных мер по обеспечению защиты информации, а именно:
•дана общая оценка состояния положения системы информационной безопасности в компании;
•произведена оценка информационных активов, выделены основные угрозы и риски;
•выбраны организационные и инженерно-технические мер по защите информации;
•проведен анализ законодательных источников применительно к деятельности организации;
•дано экономическое обоснование разработанной системы информационной безопасности.

Характеристики

Файлы схем
да
Год
2014
Область
КСЗИ
17 апреля 2026 09:00

МГТУ им. Баумана, инноватика. Диплом про коммерциализацию стартапов. Срок горел — 9 дней. Обратилась в 4 утра, ответили через 20 минут (менеджер online). Подобрали автора-практика из технопарка. Черновик прислали через 4 дня, я испугалась — много воды. Написала претензию, автор переделал за сутки, убрал лишнее. В итоге уникальность 88%, защитилась на 4. Презентацию сделали сами, но речь прислали готовую. Цена со срочностью была выше обычной, но терпимо. Рекомендую, если нужна быстрая реакция.

12 апреля 2026 22:30

ВШЭ, экономика (магистратура). Тема сложная: анализ панельных данных в Stata. Срок — 45 дней. Автор оказался кандидатом наук (как сказал менеджер). Работу сделал с нуля, включая эконометрическую модель. Уникальность 94% — супер. Цена была выше среднего (но это магистратура). Зато никаких скрытых платежей, оплата поэтапно. На защите я чувствовал себя уверенно, потому что автор подготовил развёрнутые ответы на возможные вопросы (это отдельная услуга, но стоит того). Минус: иногда пропадал на 2-3 дня, но предупреждал. Итог — 5.

10 апреля 2026 20:15

Срочный заказ — 7 дней до сдачи финальной версии. Тема сложная, нужен был высокий антиплагиат. На diplom-it.ru согласились, но предупредили: цена выше на 40% из-за короткого срока. Оплатил полную сумму сразу. Автор сделал работу за 6 дней, уникальность 87% (проверял в етхт). Текст сухой, без воды, все сноски на актуальные постановления пленумов. Ответ на отзыв научрука по структуре пришлось ждать почти сутки, но исправили. Речь и презентацию не заказывал — сам сделал. Защитился на 'удовлетворительно', но претензий к содержанию нет. Если нужна именно работа по юриспруденции без лирики — рекомендую.

8 апреля 2026 11:50

РГСУ, лингвистика. У меня диплом по переводу технических текстов. Автор — филолог, сделала качественный анализ переводческих трансформаций. Сначала сомневалась в уникальности — получила 90% (вуз требует 80). Общались в основном по почте, отвечали в течение дня. После сдачи научрук попросил дополнить практическую часть примерами — доделали за 3 дня бесплатно. Цена была очень бюджетной для диплома. Тональность нейтральная, но я довольна.

6 апреля 2026 08:55

МИСИС, прикладная информатика. Заказывал диплом по администрированию Linux. Автор написал про настройку серверов и скрипты автоматизации. Уникальность 87%. Срок 18 дней — уложились. Защита на 4. Спасибо команде.

Все отзывы
С этим товаром также покупают
0Избранное
товар в избранных
0Сравнение
товар в сравнении
0Просмотренные
0Корзина
товар в корзине
Мы используем файлы cookie, чтобы сайт был лучше для вас.